CategoriesCategories
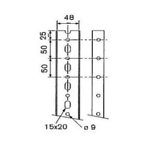
Echelle EDF

Echelle EDF

Reférence : ECHEDF2
Quantité
En stock